首页 诗词 字典 板报 句子 名言 友答 励志 学校 网站地图
当前位置: 首页 > 教程频道 > 开发语言 > 编程 >

Tomcat学习1-架构与起步流程

2012-09-06 
Tomcat学习1-架构与启动流程?一、Tomcat的启动流程与架构?Tomcat启动的时候的debug的运行轨迹图,框出来的代

Tomcat学习1-架构与启动流程

?

一、Tomcat的启动流程与架构

?

Tomcat启动的时候的debug的运行轨迹图,框出来的代表主要容器的执行方法。


Tomcat学习1-架构与起步流程

?

?

Tomcat执行大致的流程图

?

?

Tomcat学习1-架构与起步流程

?

?

?

?

整体上看一看Tomcat的概览图


Tomcat学习1-架构与起步流程

?

?

顶层元素:Server,Service
连接器元素:Connector(HTTP,AJP等)
容器元素:Engine(跟Connector结合,处理http请求),Host(对应于多个主机 i.e. mail.test.com,www.test.com,www.test2.com),Context(对应于一个个webapp应用),Wrapper(对应于一个个Servlet)
组件元素:Logger,Value ,Realm,Listener,Cluster等

?

?

二、Tomcat启动的步骤:

?

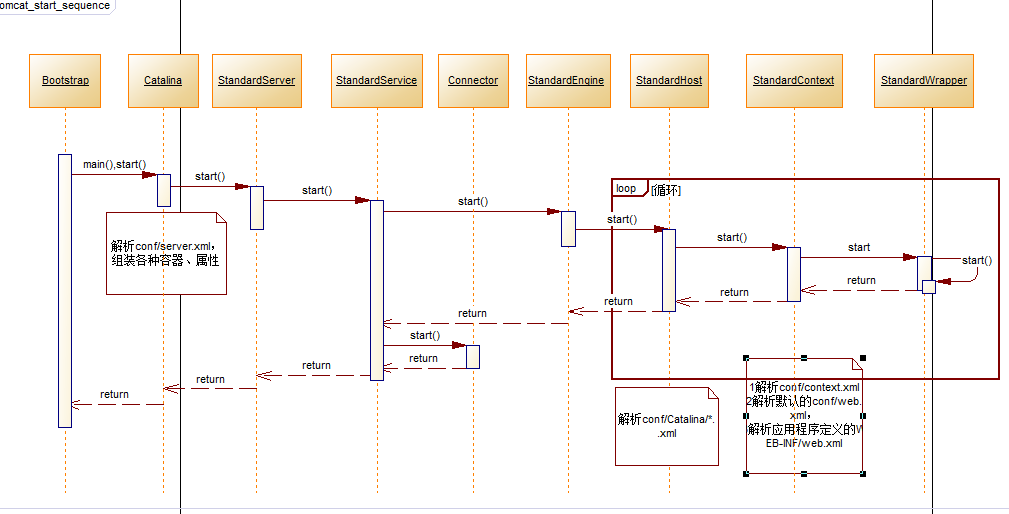
?1. tomcat的启动从Bootstrap.main()开始-->init()-->start()。

?

Bootstrap    public void start()        throws Exception    {.........        // Set Catalina path        setCatalinaHome();        setCatalinaBase();       //设置StandardClassLoader,加载${catalina.home}/lib,${catalina.home}/lib/*.jar        initClassLoaders();          Method method = catalinaDaemon.getClass().getMethod("start", (Class [] )null);        method.invoke(catalinaDaemon, (Object [])null);.........} 
??

2. Catalina.start(). ?

?

?

Catalinapublic void start() {.....        initDirs();// 初始化JNDI名称        initNaming();// 创建解析config/server.xml的规则        Digester digester = createStartDigester();......       //正式解析。至此相关的Server->Service->Enginer->Host,       //也包括LifecycleListence、Connection等的实例和相关属性都组装配置完成            digester.push(this);            digester.parse(inputSource); ...........        // 启动server服务        if (getServer() instanceof Lifecycle) {            try {                ((Lifecycle) getServer()).start();            } catch (LifecycleException e) {                log.error("Catalina.start: ", e);            }        }........        if (await) {        //阻塞在默认的8005端口,监听shutdown命令,来关闭tomcat            await();  // -->serverSocket.accept();  8005端口            stop();   //-->  ((Lifecycle) getServer()).stop();          }.........}  
?

?

?

?3.?StandardServer.start() ,server启动。

?

?

StandardServer   public void start() throws LifecycleException {.......        // 开启service,一个Server有多个Service,Service互相独立        synchronized (services) {            for (int i = 0; i < services.length; i++) {                if (services[i] instanceof Lifecycle)                    ((Lifecycle) services[i]).start();            }        }........} 
??

?4.?StandardService.start(),Service启动

?

StandardService    public void start() throws LifecycleException {.........         //初始化各种connection,在这里绑定tomcat需要的端口,或者抛出已绑定端口的异常        connectors[i].initialize();..........        // 启动Enginer容器        if (container != null) {            synchronized (container) {                if (container instanceof Lifecycle) {                    ((Lifecycle) container).start();                }            }        }......        // 但Enginer、Host、Context、Wrapper等容器都启动完成,那么启动connection,接受各种请求。        synchronized (connectors) {            for (int i = 0; i < connectors.length; i++) {                try {                    ((Lifecycle) connectors[i]).start();                } catch (Exception e) {                    log.error(sm.getString(                            "standardService.connector.startFailed",                            connectors[i]), e);                }            }        }.........}
??

5. Connector.start(),启动Connector;这步就是建立用户Socket,解析http请求,封装成request。最终request经过Engine->Host->Context->Wrapper等容器的Valve处理,在经过FilterChina的处理,最终由Servlet处理。

?

?

Connector    public void start() throws LifecycleException {........        if( !initialized )            initialize();        //HTTP/1.1或AJP/1.3协议的处理器的启动,听见来自用户的请求Socket            protocolHandler.start();........} 
?

?

-----------------------------------------------------------------------

? ? ?下面步骤中的组件都是继承ContainerBase容器,看一下简略的关系图?
Tomcat学习1-架构与起步流程

?

?

?

ContainerBase  public synchronized void start() throws LifecycleException {        // Validate and update our current component state        if (started) {            if(log.isInfoEnabled())                log.info(sm.getString("containerBase.alreadyStarted", logName()));            return;        }                // Notify our interested LifecycleListeners        lifecycle.fireLifecycleEvent(BEFORE_START_EVENT, null);        started = true;        // 启动各种组件,各种组件由server.xml、web.xml、context.xml等配置文件提供        if ((loader != null) && (loader instanceof Lifecycle))            ((Lifecycle) loader).start();        logger = null;        getLogger();        if ((logger != null) && (logger instanceof Lifecycle))            ((Lifecycle) logger).start();        if ((manager != null) && (manager instanceof Lifecycle))            ((Lifecycle) manager).start();        if ((cluster != null) && (cluster instanceof Lifecycle))            ((Lifecycle) cluster).start();        if ((realm != null) && (realm instanceof Lifecycle))            ((Lifecycle) realm).start();        if ((resources != null) && (resources instanceof Lifecycle))            ((Lifecycle) resources).start();        // 启动各种子容器Engine->Host->Context->Wrapper        Container children[] = findChildren();        for (int i = 0; i < children.length; i++) {            if (children[i] instanceof Lifecycle)                ((Lifecycle) children[i]).start();        }        // 启动pipeline组件        if (pipeline instanceof Lifecycle)            ((Lifecycle) pipeline).start();        // 触发事件        lifecycle.fireLifecycleEvent(START_EVENT, null);        // Start our thread        threadStart();        // 触发事件        lifecycle.fireLifecycleEvent(AFTER_START_EVENT, null);    }

? -----------------------------------------------------------

?

6.?StandardEngine.start(),启动Engine;这步开始容器类的start

?

?

StandardEngine  public void start() throws LifecycleException {        if( started ) {            return;        }        if( !initialized ) {            init();        }......       //一个Engine可以有多个Host,Host的启动        Container children[] = findChildren();        for (int i = 0; i < children.length; i++) {            if (children[i] instanceof Lifecycle)                ((Lifecycle) children[i]).start();        }.......       //启动各种组件和子容器start()       super.start();.........} 

?

?7.?StandardHost.start(),启动Host,

?

StandardHost    public void start() throws LifecycleException {.........        //启动各种组件和子容器start()        super.start(); -->ContainerBase -->HostConfig ..........        //   目录webapps/         File appBase = appBase();         //  conf/Catalina/localhost目录        File configBase = configBase();        // 解析conf\Catalina\localhost\*.xml文件,对每个webapp生成一个context        HostConfig --> deployDescriptors(configBase, configBase.list());        // 部署WEBAPPS/目录下的WARs        HostConfig--> deployWARs(appBase, filteredAppPaths);        // Deploy expanded folders        HostConfig--> deployDirectories(appBase, filteredAppPaths);        }  
? ?

8. StandardContext .start(),启动Context,

?

?

StandardContext    public synchronized void start() throws LifecycleException {............        //一个Context对应一个WebappLoader,也就是关联到了WebappClassLoader        //用于每个app下面的WEB-INF/classes和WEB-INF/lib类的加载        if (getLoader() == null) {            WebappLoader webappLoader = new WebappLoader(getParentClassLoader());            webappLoader.setDelegate(getDelegate());            setLoader(webappLoader);        }...........        // 创建work目录,当做临时工作目录        //比如 \work\Catalina\localhost\host-manager        postWorkDirectory();..............          //初始化classloader          if ((loader != null) && (loader instanceof Lifecycle))               ((Lifecycle) loader).start();..............           //初始化各种组件                if ((logger != null) && (logger instanceof Lifecycle))                    ((Lifecycle) logger).start();                                if ((cluster != null) && (cluster instanceof Lifecycle))                    ((Lifecycle) cluster).start();                if ((realm != null) && (realm instanceof Lifecycle))                    ((Lifecycle) realm).start();                if ((resources != null) && (resources instanceof Lifecycle))                    ((Lifecycle) resources).start();.............        //触发start事件         lifecycle.fireLifecycleEvent(START_EVENT, null);         //解析系统默认的 conf/web.xml文件,完成默认的filterChina、servlet的各种组装         ContextConfig --> defaultWebConfig();        //解析apps下的自定义 /WEB-INF/web.xml 文件,完成filterChina、servlet的各种组装         ContextConfig --> applicationWebConfig();         // 如果设置了 <load-on-startup>,则初始化Servlet,执行init()或servlet为jsp页面,则complile生成servlet文件,再init;         loadOnStartup(findChildren());..........}    

?)

?

?

?9.?StandardWrapper.start(),启动wrapper,standardWrapper就是Servlet的包装类

?

StandardWrapper    public void start() throws LifecycleException {..........        //启动各种组件和子容器start()        super.start();.........    //加载Servlet,此组件也就是Servlet的包装类,跟Servlet的关系通过此类    public synchronized void load() throws ServletException {        instance = loadServlet();    }}
?

?

?

--------------------------------------

?

三、Tomcat的生命周期关键组件Lifecycle

?

以上就是整个tomcat的启动过程,tomcat调用一个个组件的start(),父组件调用子组件start(),就这样一步步启动,直至整个tomcat启动完成。

tomcat的启动与关闭的生命周期跟Lifecycle接口息息相关.

图:Lifecycle接口的结构图


Tomcat学习1-架构与起步流程

?

图:Lifecycle的实现类
Tomcat学习1-架构与起步流程

?

参考资料:

http://www.ibm.com/developerworks/cn/java/j-lo-tomcat1/(Tomcat 系统架构与设计模式,第 1 部分: 工作原理)

http://www.ibm.com/developerworks/cn/java/j-lo-tomcat2/(Tomcat 系统架构与设计模式,第 2 部分: 设计模式分析)

?

热点排行