一个中间继电器引发的损失
当事继电器:
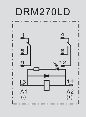
魏德米勒 DRM270024LD
带灯带保护二级管
24V


故障 :
PLC 是S7-200, 当Q输出接通中继,几秒后PLC冒烟。 其实有2秒的反应,可以断电的。
没反应过来。
稀里糊涂 又开第2 个电柜,第2个PLC也完蛋了。
本来是用的正泰的,便宜,这个魏德米勒的还贵,是用在出口机器上的。
电工拿万用表量库里的魏德米勒,说有的短路,有的好。-----------------------------表笔没有按标识正负接入。
可恶,才想起来,这个魏德米勒是有2极管做续流的。 电工走线,竟然没有按中继标的+、-接线。老外也是,怎么正、负不按从左到右的顺序。
接反的结果是,2级管直接短路,将PLC的输出点烧掉。