| 商家名称 | 信用等级 | 购买信息 | 订购本书 |
![]() |
市政工程管理人员入门与提高系列:道路工程施工员入门与提高 [平装] | ![]() |
|
![]() |
市政工程管理人员入门与提高系列:道路工程施工员入门与提高 [平装] | ![]() |
![市政工程管理人员入门与提高系列:道路工程施工员入门与提高 [平装]](http://img.reader8.net/uploadfile/2013/1225/20131225050738845.jpg)
《道路工程施工员入门与提高》:市政工程管理人员入门与提高系列
第一章 道路工程基础知识
第一节 道路工程简介
一、道路的组成及等级划分
二、道路工程主要公用设施
三、道路工程研究的内容
第二节 道路工程施工员
一、施工员的地位
二、施工员的任务
三、施工员的责、权、利
第二章 道路工程施工图识读
第一节 道路工程施工图概述
一、图纸幅面
二、标题栏与会签栏
三、图线、坐标及比例
四、尺寸标注
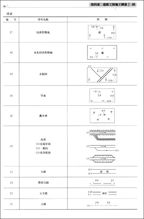
第二节 道路施工图常用图例
一、道路施工图常用材料图例
二、道路工程平面设计图图例
第三节 道路工程图识读
一、路线平面图识读
二、路线纵断面图识读
三、路线横断面图识读
四、交通工程安全设施图识读
第三章 道路工程材料
第一节 钢筋
……
第四章 道路工程施工测量
第五章 道路路基施工
第六章 道路路面基层施工
第七章 道路面层施工
第八章 交通安全设施施工
第九章 交通辅助设施施工
参考文献
版权页:
插图:
道路工程研究的主要内容有:道路网规划和路线勘测设计,路基工程、道路排水工程、桥涵工程、隧道工程、附属设施工程和养护工程等。
1.道路网规划
道路网规划应考虑各种交通运输综合功能的协调发展,以及路网布局的完善。路线勘测设计应选定技术经济最优化的路线,对平、纵、横三个方面进行综合设计,力争平面短捷舒顺、纵坡平缓均匀、横断面稳定经济,以求保证设计车速、缩短行车时间、提高汽车周转率。对路基、路面、桥梁、隧道、排水等构造物进行精心设计,在保证质量的条件下降低施工、养护、运营和交通管理等费用。
2.路基工程
路基工程在道路建设中,工程量大、占地广,常为控制施工进度的关键,故要求尽可能与沿线农田水利建设相结合并力争节约用地;按照标准设计,严格控制施工质量,保证路基具有足够的强度和稳定性;搞好排水和防护加固工程,沿河路基应注意不被洪水淹没冲毁;填方工程应慎选土质并分层夯实,对其密实度和含水量进行现场控制;冰冻地区还应设置防冻层或设置隔水层和隔温层,切断毛细水,减少负温差的不利影响;当路线通过悬岩峭壁需修建悬出路台或半山桥,陡峻山坡则需修筑挡墙、石砌护坡或护脚等工程以保证基和山体的稳定;当路线不能避让必须通过特殊或不良地质、水文的地区或路段时,路基工程应针对其具体情况和特征,采取防治措施。
喜欢市政工程管理人员入门与提高系列:道路工程施工员入门与提高 [平装]请与您的朋友分享,由于版权原因,读书人网不提供图书下载服务