浏览器和js交互、NPAPI之NPRuntime开发
前面介绍过NPRuntime :
NPAPI 原本是由 Netscape 所制定的一组单纯的 C Plugin API,起初是无法支持 Scriptability;于是到了 2004 年底,各家 Browser (IE, Opera, Mozilla 等) 都同意支持NPRuntime 延伸 API 以支持 Scriptability,所以目前若是想写 Plugin则应该以 NPRuntime API 才能跨不同的 Browsers。
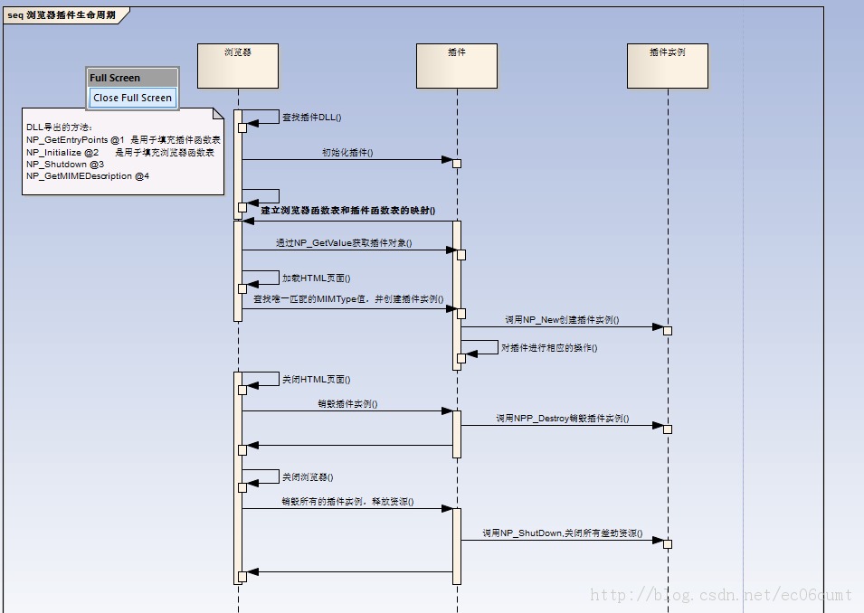
先介绍下浏览器的生命周期。

1.浏览器搜索加载DLL文件。
2.浏览器调用NP_GetEntryPoints,NP_Initialize()来初始化浏览器和插件的函数映射表。
i.调用浏览器端的NP_Initialize,将函数传给插件的函数表。
ii.插件将定义好的函数通过NP_GetEntryPoints,传递到NPPluginFuncs中,让浏览器可以调用。
3.浏览器调用插件的NPP_GetValue,得到插件的对象,若支持js交互,则通过NPPVpluginScriptableNPObject来判断创建m_pScriptableObject对象。
4.浏览器通过HTML中的MIMTYPE,调用插件的NP_New来创建插件实例。然后对插件进行业务处理。
5.浏览器关闭页面时,调用插件的NPP_Destory来销毁插件实例。
6.浏览器关闭时,调用NP_shutdown关闭所有的资源。
以上就是浏览器插件的生命周期。
下面来看下NPRuntime的执行过程。
浏览器调用插件的方法的顺序,基本上为:NP_GetEntryPoints、NP_Initialize、NPP_New、NPP_SetWindow、NPP_GetValue。在NPP_New中,我们需要创建插件对象的实例,NPP_SetWindow中,浏览器会传入插件窗口的信息,最后一个NPP_GetValue,是浏览器来获取一些插件信息的。NPP_GetValue函数的结构是这样的:
NPError NPP_GetValue(NPP instance, NPPVariable variable, void *value);
· instance包含着插件对象实例;
· variable表示浏览器要获取的信息的类型;
· value表示返回给浏览器的值
i.浏览器会传入NPPVpluginScriptableNPObject(作为variable参数)来查询插件是否支持Scriptable功能(即和脚本语言交互的功能)
ii.可以利用NPN_CreateObject方法来创建一个NPObject对象,并且作为value返回给浏览器。
iii.浏览器就通过这个NPObject对象和我们的插件建立了连接。
V.当页面上Javascript调用了我们插件对象的某个方法时,浏览器会调用该NPObject对象的HasMethod方法来查询是否支持这个方法,
VI.如果支持,则会调用NPObject对象的Invoke方法,传入方法名、参数等信息。
VII.这样,我们就可以让网页上的脚本语言来执行我们编写的函数了。
VIII.在Windows上,我们编写的函数就如同编写普通的应用程序一样,可以使用很多Windows API来完成许多复杂的工作。
如下图。

其中NPRuntime插件对象如下图:
插件和js交互时,js调用插件的属性和方法,调用getProperty,hasMethod,invoke方法即可。
如何定义一个方法(或属性)?
1、添加一个方法(或属性)很简单,先定义一个静态NPIdentifier类型的变量,例如:
static NPIdentifier s_idSetArgs;
2、在插件对象构造函数中,使用NPN_GetStringIdentifier方法来设置该方法的名称,例如:
s_idSetArgs = NPN_GetStringIdentifier("SetArgs");
其中,SetArgs就是我们提供给脚本语言调用的方法名称。
3、在ScriptablePluginObject的HasMethod方法中,判断传入的方法名:
function Add(){try{//if( CheckBrowser() ) return;var a1 = document.getElementById("f1").value;var a2 = document.getElementById("f2").value;alert("test");var res = PLUGIN.Add(a1,a2);//we can also add numbers and strings (because of the plugin implementation)alert( "Plugin Added result is: " + res );}catch (err) { alert(err); }}