ZigBee研究之旅(四)---CC2530的时钟模块
CC2530的时钟模块
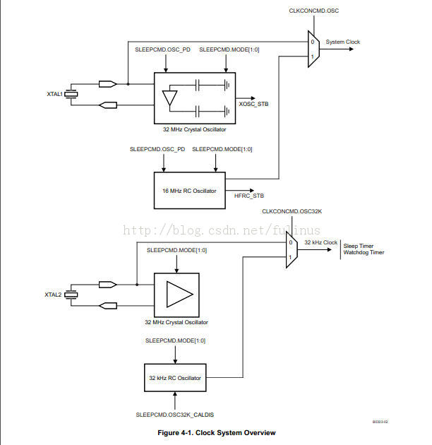
(cc2530_datasheet节选翻译如下)
******************************************************************
* 作 者:fulinux
* 转载声明:点击链接
******************************************************************



******************************************************************
* 作 者:fulinux
* 转载声明:点击链接,如有不对之处,请指正
******************************************************************
/*********************************************************************************************************** 文 件 名:iic.C* 功 能:实验二 GPIO控制实验* 该实验采用CC2530的I/O口(P1.0和P1.1)模拟IIC总线的SCL和SDA,然后通过IIC总线形式控制GPIO扩展芯片* PCA9554,最后通过扩展的IO来控制LED的亮灭。** 硬件连接:将OURS的CC2530RF模块插入到普通电池板或智能电池板上。** P1.0 ------ SCL* P1.1 ------ SDA* * 版 本:V1.0* 作 者:WUXIANHAI* 日 期:2011.1.18* 奥尔斯电子主页:www.ourselec.com**************************************************************************************************************/#include "ioCC2530.h" #include "hal_mcu.h"#define SCL P1_0 //IIC时钟线#define SDA P1_1 //IIC数据线//定义IO方向控制函数#define IO_DIR_PORT_PIN(port, pin, dir) \ do { \ if (dir == IO_OUT) \ P##port##DIR |= (0x01<<(pin)); \ else \ P##port##DIR &= ~(0x01<<(pin)); \ }while(0)#define OSC_32KHZ 0x00 //使用外部32K晶体振荡器//时钟设置函数#define HAL_BOARD_INIT() \{ \ uint16 i; \ \ SLEEPCMD &= ~OSC_PD; /* 开启 16MHz RC 和32MHz XOSC */ \ while (!(SLEEPSTA & XOSC_STB)); /* 等待 32MHz XOSC 稳定 */ \ asm("NOP"); \ for (i=0; i<504; i++) asm("NOP"); /* 延时63us*/ \ CLKCONCMD = (CLKCONCMD_32MHZ | OSC_32KHZ); /* 设置 32MHz XOSC 和 32K 时钟 */ \ while (CLKCONSTA != (CLKCONCMD_32MHZ | OSC_32KHZ)); /* 等待时钟生效*/ \ SLEEPCMD |= OSC_PD; /* 关闭 16MHz RC */ \}#define IO_IN 0 //输入#define IO_OUT 1 //输出uint8 ack; //应答标志位uint8 PCA9554ledstate = 0; //所有LED当前状态/****************************************************************************** * 函数名称:QWait * * 功能描述:1us的延时 * * 参 数:无 * * 返 回 值:无 *****************************************************************************/ void QWait() { asm("NOP");asm("NOP"); asm("NOP");asm("NOP"); asm("NOP");asm("NOP"); asm("NOP");asm("NOP"); asm("NOP");asm("NOP"); asm("NOP");}/****************************************************************************** * 函数名称:Wait * * 功能描述:ms的延时 * * 参 数:ms - 延时时间 * * 返 回 值:无 *****************************************************************************/ void Wait(unsigned int ms){ unsigned char g,k; while(ms) { for(g=0;g<=167;g++) { for(k=0;k<=48;k++); } ms--; }} /****************************************************************************** * 函数名称:Start_I2c * * 功能描述:启动I2C总线,即发送I2C起始条件. * * 参 数:无 * * 返 回 值:无 *****************************************************************************/ void Start_I2c(){ IO_DIR_PORT_PIN(1, 0, IO_OUT); //设置P1.0为输出 IO_DIR_PORT_PIN(1, 1, IO_OUT); //设置P1.1为输出 SDA=1; /*发送起始条件的数据信号*/ asm("NOP"); SCL=1; QWait(); /*起始条件建立时间大于4.7us,延时*/ QWait(); QWait(); QWait(); QWait(); SDA=0; /*发送起始信号*/ QWait(); /* 起始条件锁定时间大于4μs*/ QWait(); QWait(); QWait(); QWait(); SCL=0; /*钳住I2C总线,准备发送或接收数据 */ asm("NOP"); asm("NOP");}/****************************************************************************** * 函数名称:Stop_I2c * * 功能描述:结束I2C总线,即发送I2C结束条件. * * 参 数:无 * * 返 回 值:无 *****************************************************************************/ void Stop_I2c(){ IO_DIR_PORT_PIN(1, 0, IO_OUT); //设置P1.0为输出 IO_DIR_PORT_PIN(1, 1, IO_OUT); //设置P1.1为输出 SDA=0; /*发送结束条件的数据信号*/ asm("NOP"); /*发送结束条件的时钟信号*/ SCL=1; /*结束条件建立时间大于4μs*/ QWait(); QWait(); QWait(); QWait(); QWait(); SDA=1; /*发送I2C总线结束信号*/ QWait(); QWait(); QWait(); QWait();}/****************************************************************************** * 函数名称:SendByte * * 功能描述:将数据c发送出去,可以是地址,也可以是数据,发完后等待应答,并对 * 此状态位进行操作.(不应答或非应答都使ack=0 假) * 发送数据正常,ack=1; ack=0表示被控器无应答或损坏。 * * 参 数:c - 需发送的数据 * * 返 回 值:无 *****************************************************************************/ void SendByte(uint8 c){ uint8 BitCnt; IO_DIR_PORT_PIN(1, 0, IO_OUT); //设置P1.0为输出 IO_DIR_PORT_PIN(1, 1, IO_OUT); //设置P1.1为输出 for(BitCnt=0;BitCnt<8;BitCnt++) /*要传送的数据长度为8位*/ { if((c<<BitCnt)&0x80)SDA=1; /*判断发送位*/ else SDA=0; asm("NOP"); SCL=1; /*置时钟线为高,通知被控器开始接收数据位*/ QWait(); QWait(); /*保证时钟高电平周期大于4μs*/ QWait(); QWait(); QWait(); SCL=0; } QWait(); QWait(); QWait(); SDA=1; /*8位发送完后释放数据线,准备接收应答位*/ asm("NOP"); IO_DIR_PORT_PIN(1, 1, IO_IN); SCL=1; QWait(); QWait(); QWait(); QWait(); if(SDA==1)ack=0; else ack=1; /*判断是否接收到应答信号*/ SCL=0; QWait(); QWait(); IO_DIR_PORT_PIN(1, 1, IO_OUT);}/****************************************************************************** * 函数名称:RcvByte * * 功能描述:用来接收从器件传来的数据,并判断总线错误(不发应答信号), * 发完后请用应答函数。 * * 参 数:无 * * 返 回 值:retc - 从器件传来的数据 *****************************************************************************/ uint8 RcvByte(){ uint8 retc; uint8 BitCnt; IO_DIR_PORT_PIN(1, 0, IO_OUT); //设置P1.0为输出 IO_DIR_PORT_PIN(1, 1, IO_OUT); //设置P1.1为输出 retc=0; SDA=1; /*置数据线为输入方式*/ IO_DIR_PORT_PIN(1, 1, IO_IN); for(BitCnt=0;BitCnt<8;BitCnt++) { asm("NOP"); SCL=0; /*置时钟线为低,准备接收数据位*/ QWait(); QWait(); /*时钟低电平周期大于4.7μs*/ QWait(); QWait(); QWait(); SCL=1; /*置时钟线为高使数据线上数据有效*/ QWait(); QWait(); retc=retc<<1; if(SDA==1)retc=retc+1; /*读数据位,接收的数据位放入retc中 */ QWait(); QWait(); } SCL=0; QWait(); QWait(); IO_DIR_PORT_PIN(1, 1, IO_OUT); return(retc);}/****************************************************************************** * 函数名称:Ack_I2c * * 功能描述:主控器进行应答信号,(可以是应答或非应答信号) * * * 参 数:无 * * 返 回 值:无 *****************************************************************************/ void Ack_I2c(uint8 a){ IO_DIR_PORT_PIN(1, 0, IO_OUT); //设置P1.0为输出 IO_DIR_PORT_PIN(1, 1, IO_OUT); //设置P1.1为输出 if(a==0)SDA=0; /*在此发出应答或非应答信号 */ else SDA=1; QWait(); //QWait(); //QWait(); SCL=1; QWait(); QWait(); /*时钟低电平周期大于4μs*/ QWait(); QWait(); QWait(); SCL=0; /*清时钟线,钳住I2C总线以便继续接收*/ QWait(); //QWait(); }/****************************************************************************** * 函数名称:ISendByte * * 功能描述:从启动总线到发送地址,数据,结束总线的全过程,从器件地址sla. * 如果返回1表示操作成功,否则操作有误。 * * * 参 数:sla - 从器件地址 * c - 需发送的数据 * * 返 回 值:0 -- 失败 * 1 -- 成功 *****************************************************************************/ uint8 ISendByte(uint8 sla,uint8 c){ Start_I2c(); /*启动总线*/ SendByte(sla); /*发送器件地址*/ if(ack==0)return(0); SendByte(c); /*发送数据*/ if(ack==0)return(0); Stop_I2c(); /*结束总线*/ return(1);}/****************************************************************************** * 函数名称:ISendStr * * 功能描述:从启动总线到发送地址,子地址,数据,结束总线的全过程,从器件 * 地址sla,子地址suba,发送内容是s指向的内容,发送no个字节。 * 如果返回1表示操作成功,否则操作有误。 * * * 参 数:sla - 从器件地址 * suba - 从器件子地址 * *s - 数据 * no - 数据字节数目 * * 返 回 值:0 -- 失败 * 1 -- 成功 * * 注 意:使用前必须已结束总线。 *****************************************************************************/ uint8 ISendStr(uint8 sla,uint8 suba,uint8 *s,uint8 no){ uint8 i; Start_I2c(); /*启动总线*/ SendByte(sla); /*发送器件地址*/ if(ack==0)return(0); SendByte(suba); /*发送器件子地址*/ if(ack==0)return(0); for(i=0;i<no;i++) { SendByte(*s); /*发送数据*/ if(ack==0)return(0); s++; } Stop_I2c(); /*结束总线*/ return(1);}/****************************************************************************** * 函数名称:IRcvByte * * 功能描述:从启动总线到发送地址,读数据,结束总线的全过程,从器件地 * 址sla,返回值在c. 如果返回1表示操作成功,否则操作有误。 * * * 参 数:sla - 从器件地址 * *c - 需发送的数据 * * 返 回 值:0 -- 失败 * 1 -- 成功 * *注 意:使用前必须已结束总线。 *****************************************************************************/ uint8 IRcvByte(uint8 sla,uint8 *c){ Start_I2c(); /*启动总线*/ SendByte(sla+1); /*发送器件地址*/ //SendByte(sla); if(ack==0)return(0); *c=RcvByte(); /*读取数据*/ Ack_I2c(1); /*发送非就答位*/ Stop_I2c(); /*结束总线*/ return(1);}/****************************************************************************** * 函数名称:IRcvStr * * 功能描述:从启动总线到发送地址,子地址,读数据,结束总线的全过程,从器件 * 地址sla,子地址suba,读出的内容放入s指向的存储区,读no个字节。 * 如果返回1表示操作成功,否则操作有误。 * * * 参 数:sla - 从器件地址 * suba - 从器件子地址 * *s - 数据 * no - 数据字节数目 * * 返 回 值:0 -- 失败 * 1 -- 成功 * * 注 意:使用前必须已结束总线。 *****************************************************************************/ uint8 IRcvStr(uint8 sla,uint8 suba,uint8 *s,uint8 no){ Start_I2c(); /*启动总线*/ SendByte(sla); /*发送器件地址*/ if(ack==0)return(0); SendByte(suba); /*发送器件子地址*/ // if(ack==0)return(0); // SendByte(sla+1); if(ack==0)return(0); while(no > 0) { *s++ = RcvByte(); if(no > 1) Ack_I2c(0); /*发送就答位*/ else Ack_I2c(1); /*发送非应位*/ no--; } Stop_I2c(); /*结束总线*/ return(1);}/****************************************************************************** * 函数名称:ctrPCA9554LED * * 功能描述:通过IIC总线控制PCA9554的输出,进而控制相应的LED。 * * * 参 数:LED - 所控制的LED * operation - 开或关操作 * * 返 回 值:无 * * * 注 意:PCA9554的地址为:0x40 *****************************************************************************/ void ctrPCA9554LED(uint8 led,uint8 operation){ uint8 output = 0x00; uint8 *data = 0; if(ISendStr(0x40,0x03,&output,1)) //配置PCA9554寄存器 { switch(led) { case 0: //LED0控制 if (operation) { output = PCA9554ledstate & 0xfe; } else { output = PCA9554ledstate | 0x01; } break; case 1: //LED1控制 if (operation) { output = PCA9554ledstate & 0xfd; } else { output = PCA9554ledstate | 0x02; } break; case 2: //LED2控制 if (operation) { output = PCA9554ledstate & 0xf7; } else { output = PCA9554ledstate | 0x08; } break; case 3: //LED3控制 if (operation) { output = PCA9554ledstate & 0xfb; } else { output = PCA9554ledstate | 0x04; } break; case 4: //LED4控制 if (operation) { output = PCA9554ledstate & 0xdf; } else { output = PCA9554ledstate | 0x20; } break; case 5: //LED5控制 if (operation) { output = PCA9554ledstate & 0xef; } else { output = PCA9554ledstate | 0x10; } break; default:break; } if(ISendStr(0x40,0x01,&output,1)) //写PCA9554输出寄存器 { if(IRcvByte(0x40,data)) //读PCA9554输出寄存器 { PCA9554ledstate = *data; } } }}/****************************************************************************** * 函数名称:PCA9554ledInit * * 功能描述:初始化6个LED,即关闭所有的LED * * 参 数:无 * * 返 回 值:无 * *****************************************************************************/ void PCA9554ledInit(){ uint8 output = 0x00; uint8 *data = 0; if(ISendStr(0x40,0x03,&output,1)) //配置PCA9554寄存器 { output = 0xbf; if(ISendStr(0x40,0x01,&output,1)) //写输出寄存器 { if(IRcvByte(0x40,data)) //读输出寄存器 { PCA9554ledstate = *data; } } }}