S5PV210学习笔记——Nand配置
S5PV210的Nand flash跟2440和6410的Nand flash配置差不多,不同的是S5PV210的功能更加强大,尤其是S5PV210的硬件ECC(本文不涉及S5PV210中Nand ECC配置)。整体上来讲,S5PV210的Nand flash配置还是非常简单的。
其实,配置一个模块往往需要以下几个步骤:
(1)根据原理图,理清模块的接线方式,对于Nand flash来说,就是看看Nand flash接到了哪些GPIO上,然后把对应的GPIO配置为Nand功能即可。
(2)阅读S5PV210手册,掌握相关模块控制器的功能、操作方式及寄存器配置。
(3)阅读模块芯片手册,掌握模块的访问控制时序。
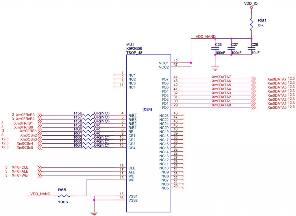
我们按照以上步骤进行配置,首先是模块GPIO的配置,我的开发板是TQ210,Nand flash芯片是K9K8G08U0B,接线方式如下图:

其中:
(1)Xm0FRnB0~Xm0FRnB3,Xm0FCLE,Xm0FALE,Xm0FWEn,Xm0FREn这八根脚连接到了MP0_3上,查看MP0_3控制寄存器可知,需将MP0_3CON配置为0x22222222;
(2)Xm0CSn2~Xm0CSn5四根脚连接到了MP0_1的2~5脚上,故MP0_1CON的8~23位应该配置为0x3333;
(3)Xm0DATA0~Xm0DATA7这八根脚连接到了MP0_6上,故MP0_6应该配置为0x22222222;
这样,GPIO配置好了,接下来我们配置下Nand flash的控制寄存器,大体浏览下Nand flash的寄存器功能后我们可以发现,如果不使用ECC功能可以只配置NFCONF和NFCONT两个寄存器,我们的Nand flash是SLC型Nand,Page大小为2048,写入地址需要5个周期(这些从Nand flash芯片手册上很容易找到),故NFCONF应该配置如下:
NFCONF=(3<<23)|(1<<12)|(2<<8)|(0<<4)|(1<<1); //依次为:禁止ECC,TACLS,TWPRH0,TWPRH1,SLC、2K、5周期。
其中TACLS、TWPRH0和TWPRH1需要阅读手册来确定,韦东山老师讲述了确定方式,但是,我配置时完全按照手册上的最小时间设置时没有能够正常访问,我是自己尝试出来的,先将三个参数都设置为7,然后慢慢减小,最后测试出来设置为1、2、0,但是这样不一定是最稳定的,一般来讲,数值略大一些会更稳定,但是为了不影响访问效率,这个值也不能设太大,先按照最小情况设置,当发现有读取错误或其他不稳定现象时再适当提高参数值。
然后就是NFCONT寄存器,NFCONT的配置就更简单了,我们不设置ECC,只需要设置0位和1位就可以了:
NFCONT = (1<<1)|(1<<0);//禁止片选,使能Nand
这样,Nand flash的初始化函数就出来了:
void nand_read_page(unsigned char* buf, unsigned long page_addr){ int i; nand_select_chip(); nand_cmd(0); nand_addr(page_addr, 0); nand_cmd(0x30); nand_wait(); for(i = 0; i != PAGE_SIZE; ++i){ *buf++ = nand_read(); } nand_deselect_chip();}上面是几个比较重要的Nand flash读相关的操作函数,到这里,您自己补充一下引用到的小函数就可以正常的进行Nand flash操作了,我把我写的代码上传到我的CSDN资源里,如果需要的话可以拿去参考。另外,如果需要编写Nand flash写操作的代码可以参考一下本人博客中6410的Nand flash配置部分和Nand flash的芯片手册,原理都是相通的。