用于Arduino的无线网插板WizFi shield(基于WizFi210和WIZ820io,集以太网、WiFi扩展于一身)
介绍:
WizFi无线扩展板使用Wiz820io,WizFi210无线模块。这样能同时支持以太网和WiFi的通信连接。
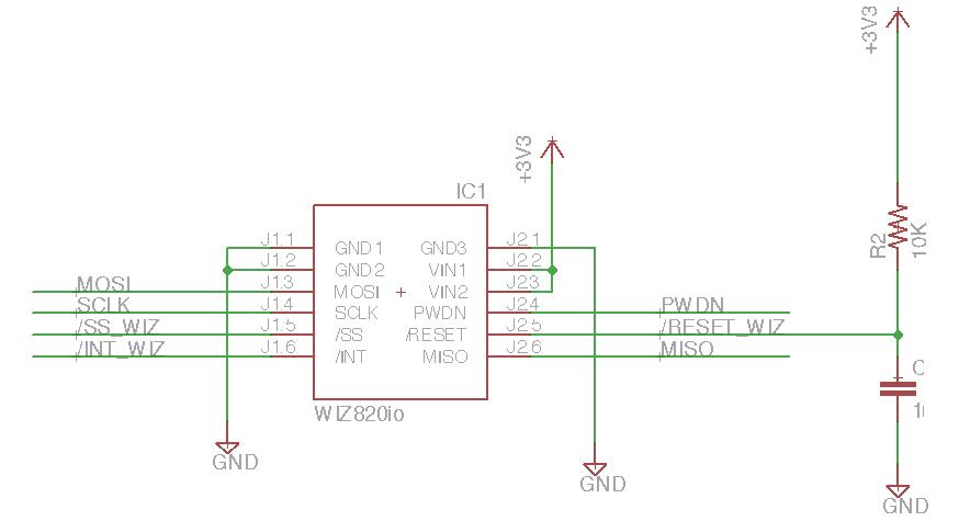
1.硬件a) 以太网- Wiz820io通过SPI连接
- 其他信号

-WizFi210模块通过SPI连接通信
-其他信号


WizFi Shield硬件描述

测试环境
WiFi扩展板使用DHCP获得IP地址,作为TCP服务器工作。
-它与笔记本电脑连接设置完成以后,数据就能在笔记本和WiFi扩展板之间传送了。

●Arduino源代码和资料能从WIZnet Github下载:https://github.com/Wiznet/Arduino_WiFi_Shield
●WizFi210用户手册:
http://www.iwiznet.cn/sub_modules/product/product_detail.asp?Refid=509&page=1&cate1=5&cate2=43&cate3=0&pid=1132&cType=2
●Wiz820io 数据手册:
http://www.iwiznet.cn/Sub_Modules/product/product_detail.asp?Refid=499&page=1&cate1=5&cate2=42&cate3=0&pid=1161&cType=2