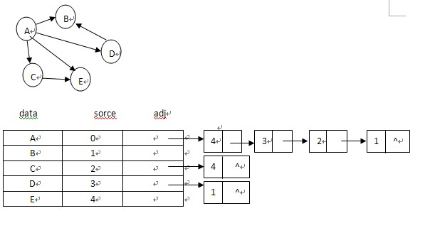
ACM中关于图的邻接表的表示方法
??? 最近做图的题比较多,除了克鲁斯卡尔和floyd,像广搜,普里姆,Bellman-Ford,迪杰斯特拉,SPFA,拓扑排序等等,都用到图的邻接表形式。
?
??? 数据结构书上表示邻接表比较复杂,一般形式如下:
?
typedef struct{char e[11]; //valuechar f[11]; //keyint next; //下一个结果(hash冲突)}Entry;Entry entry[M];int hashIndex[M]; //哈希值为M的结果集的第一个在entry中的序号。//输入:对key进行hash,sscanf(str,"%s %s",entry[i].e,entry[i].f);int hash = ELFHash(entry[i].f);entry[i].next = hashIndex[hash];hashIndex[hash] = i;i++;//使用:for(int k = hashIndex[hash]; k; k = entry[k].next){ //do something..}?
?
?
?
?
?
?