本人功放设计与制作的讲解
杭哥工作室
发表者:吕杭剑
QQ:984966845
搜狐博客:http://hangge.t.sohu.com/
百度博客:http://hi.baidu.com/984966845
新浪博客:http://blog.sina.com.cn/u/3071094151
由于本人也非常喜欢制作功放,在花费了很大的成本和精力后做了多套的功放,效果不
错,想把自己的经验给刚初学者分享。
最常见的功放芯片大家都很清楚,比如TDA2030,LM1875,LM3886等等,对于一般的初学者来说,我建议先选择用LM1875的功放芯片制作,因为LM1875芯片性能比较好,而且是TDA2030芯片的升级版,电路非常简单,制作好后不会有太多的问题,在播放输出功率不是很大的时候几乎没有杂音,而且LM1875功放的输出功率大,价格比较便宜一些,现在由于市场上出现的一般都是仿造的LM1875芯片,价格一般就是五元一片,难以买到正品的LM1875,所以最好是到家电维修店去购买,因为能买到的正品也只能是拆机的芯片了。
功放的电路图百度里面一搜一大把,但是元器件的参数是有错误的,所以按照图纸上制
作好的功放板一般都是要经过多次调试与修改才能成为一个达到要求的功放的。
我就说LM1875的功放吧!我自己制作的都是双电源的LM1875功放电路,
理由:
1.双电源的电路制作出来的比单电源的输出功率要大很多,
2.而且能够有效地平衡芯片内部的电源稳定性,防止由于电源的不稳定产生杂音。
3.双电源的功放电路比单电源的功放电路要简单很多,所需的元器件要少很多
先发一张LM1875的双电源的电路图吧

1,电源电压一般是用双15V的,
2,功放芯片的引脚读法应该都知道的吧,将功放芯片的有字的一面正对自己,将引脚
都朝下,从左到右地读,最左边的引脚为第一个引脚,最右边的引脚为第五个引脚,
3.芯片的3脚是接负15V的电源电压,
4. 芯片的5脚是接正15V的电源电压,
5. 芯片的1脚是音频输入端,在电路图上也看到了与芯片1脚相连的有一个电解电容
C1,该电容是当做耦合电容用的,充当耦合作用。当然了,也有的地方用了瓷片电容,都无所谓,但电容的容量不能太大,一般都是小于10uF的电容,电容的容量越大,容抗就越小,我的功放上用的都是1uF的电解电容,如果所要求功放的输出功率不用太大,那么该电容的耐压只要有25V就足够了,在此处的电解电容的连接时,电容的正反连接都无所谓,
不会影响效果的。
6.大家都知道功放都是可以调节音量的,在该图中没有画调节音量的电位器,大家只
要在功放芯片的第1引脚的音频输入端接上一个10K大小的电位器就可以实现调节音量了,
7.在电路图上与电解电容C1相连的电阻R1和电阻R2,都是下拉电阻,功能就是滤去
杂波用的,电阻R1为初级滤波,电阻R2为后级滤波,电阻R1的大小为1M左右,电阻R2的大小为22K左右,
8. 最重要的就是第2引脚和第4引脚之间的连接,因为这两个引脚之间的连接对功放
的整体输出效果影响非常大。都知道第4脚是音频输出端,但我介意在音频输出端与喇叭连
接的地方串连一个点击470uF/25V的电解电容,电解电容的正极一端一定要与功放芯片的4
脚相连,而电解电容的负极引脚与喇叭的引脚相连,
9.在电路图上的电阻R5和电容C3,该电阻和电容配合起来的作用是用来滤高频波的,
该电阻的阻值一般就是用1欧姆或2欧姆,该电容要用耐压高的CBB电容,容量一般就用
0.2uF左右的都无所谓,最好买个性能好一些的电容,因为该电容如果性能不好就会在声音
一调大的时候就很容易漏电或烧掉,喇叭就马上出现杂音无法听音乐的。
10.在电路图中的电阻R3和电阻R4是配合使用的,称为反馈电阻,电阻R3和R4配合
的阻值大小决定了功放芯片LM1875的输出功率有多大,当然了LM1875芯片的参数百度里都有,百度下就知道了。假如你的LM1875的芯片不是正品的,那么我建议你R4的阻值除以R3的阻值的大小一般为59就可以了(也就是R4的阻值大小为电阻R3阻值大小的50倍左右就可以了),电阻R3一般就取330欧姆的,680欧姆的,1K的等等,各有不同,要经过自己多次调试后才行,我的那个功放板上R3是用680欧姆的,电阻R4用的是27K欧姆的。假如你的功放芯片是正品,那么我建议你R4的阻值除以R3的阻值的大小可以取100,因为正品的芯片性能与次品的相差很大的。
11.在电路图中的电解电容C2是一个滤波电容,是滤除从第4引脚流回第2引脚的反
馈电流,电容的容量很小,一般的都是用10uF到47uF之间的,不要太大了,耐压只要在
25V的就已经足够了,电解电容的正极要按照图纸上的与电阻R3相接,电解电容的负极要
与地相接,不要错了。我的功放板用的是47uF./25V的电解电容,但也有一些人是省略掉该
电容的,当然了,本人已经试过,电容C2有没有效果都是一样的。
12. 在焊接电路板的时候也是非常重要的,电路板中的地线要用焊锡焊出来的线路粗
一些,这样有利于加固和屏蔽,还有救是线路连接时用45度的拐角连接,不要出现90度的
拐角,这一点对于功放的制作都是非常之重要的
13.功放板制作好后一定要为功放块LM1875安装上一个散热片,这样有助于散热,能
够延长功放块的使用寿命。



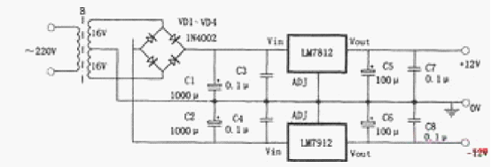
一个好的功放都有一个好的电源供应,怎么样的电源才是好的电源呢,现在我就以一张网上找的15V输出的双电源电路图来说吧!

1.记住一点,功放电源的输出功放一定要比功放的额定输出功率大一些,这样才能使
功放正常输出功放块能输出的输出功率,像LM1875芯片的功放,我用的是80W的环牛变压器,当然了该变压器的实际功率也没有这么大,最多也就是60W左右的了,因为现在的功放变压器都好假的,

2.在电路图中,也看到了变压器的电压是双16V的,经过4个整流二极管整流后,通
过初级电容的滤波,再经过稳压管的稳压,最后通过次级电容的滤波才输出供应功放芯片的
电压,记住一点,输出的电压大小是由稳压块决定的,图中的是LM7812和LM7912的稳压块,所以输出的电压是双12V的电压。
3. 在选择变压器和稳压块的时候,变压器的电压一定要比稳压块的稳压电压要高5V
到9V之间,这样经过稳压管输出的电压比较稳定,不会出现电压不稳的现象在图中的四个整流二极管,型号是IN4002,其实就是IN4007的整流二极管,都是一样的二极管,当然了也是可以用其他的整流二极管,我建议的是用快恢复二极管FR107,这样的效果会好些,整流的速度变快了,性能更强了。
4.图中的电解电容C1,电解电容C2,电解电容C5和电解电容C6,都是电解电容,都
起电源的滤波作用,电解电容的容量越大,滤波效果越好,我用的电解电容C1,电解电容
C2,电解电容C5和电解电容C6都是10000uF/50V的电解电容,我建议买着四个电解电容的时候买性能好一些的电容,这样不容易坏,因为这四个电容滤波的好坏会直接影响到功放芯片。还有就是在焊接这四个电解电容的时候,一定不要把这四个电容的正负极放反了,由于这四个电容都很贵,在焊接的时候接错了烧了,那就太可惜了。一定要经过自己多次对照电路图上的按放位置和正负极,在确认无误以后再接上变压器。
5,.在图中,电容C3,C4,C7,C8都是瓷片电容,耐压高一些的,起电源的高频滤波
作用,瓷片电容的大小在0.1uF左右就可以了
6..在电源的输出端还可以安置一个电源指示灯,这样在通电的时候就可以知道电源是
否接通,而且可以使功放板更加美观,如果可以,我建议购买七彩的LED灯,这样做出来的功放效果会更加有趣。记住,在接LED灯的时候一定要串连一个1K左右的电阻,这样可以防止LED灯上的电压太高而烧毁。

相信现在大家对功放有了一定的了解,对于一套真正的功放没有这么简单,因为这只是
功放中的一小部分,让我们扩充功放的认识吧!
由于每块功放块都只有一个额定的输出功率,所以一套功放中都是分多级运放后才输出
的,以下是一个用TDA2822的功放芯片制作的初级运放,所谓的初级运放就是外界我们给的音频输入先通过该初级运放将音频放大后再经过音量调节,最后经过功放块播放出来。当然了,初级的运放块有很多,有TDA2822,NE5532,MC4558等等,不过对于一些输出功率不大的用TDA2822制作就可以了,电路图也是非常简单的。只要连接没有错误,一般都不会有什么问题。

1.在对功放的设计过程中,功放芯片的电源要与运放芯片的电源分开使用,也就是需
要有两个变压器,两个电源电路,功放芯片LM1875的电源变压器是功率大的双电源变压器,
而运放芯片TDA2822的电源变压器是功率小的单电源变压器,对于运放芯片TDA2822,变压器功率只要有五瓦左右的就够了,这个单电源的电路图很简单,相信大家都清楚,我就不介绍了,

2.运放的电路与功放LM1875的电路原理没有多大的区别,只要把功放LM1875的电路
原理弄懂了,相信这张电路图的原理也就知道了,我也就不多介绍,
3.要记住的一点是在把运放和功放电路配合在一起使用的时候,调节高低音的电路应
该在运放与功放的中间进行,而调节音量大小的电位器应该在运放的音频输入端,也就是与
MP3播放器连接的地方

4.假如就制作初级运放的功能,那么就像图片中的只用两个9V的电池供电就可以了,
效果还是不错的,功放的设计千变万化,我给的图片只是仅供参考,开放自己的设计思路,
让制作出来的功放更加有趣
本人对功放的设计也很有限,希望发表的这些东西能对功放制作的初学者有所帮助,如果对功放制作感兴趣的朋友,有疑问的话可以在本人的QQ空间里留言,QQ:984966845本人会第一时间回复的,本人通常都是隐身的,忙于学习单片机的开放,如果有兴趣,可以相互提高。