首页 诗词 字典 板报 句子 名言 友答 励志 学校 网站地图
当前位置: 首页 > 教程频道 > 开发语言 > 编程 >

TWaver在电力系统中的运用

2012-09-29 
TWaver在电力系统中的应用TWaver作为一款专业的图形界面控件,可以应用在各行各业中。本文我们就来详细介绍

TWaver在电力系统中的应用

TWaver作为一款专业的图形界面控件,可以应用在各行各业中。本文我们就来详细介绍一下TWaver如何绘制出电力系统的界面。我们现在看看几张电力系统的图:


TWaver在电力系统中的运用
?

某变电站设备接线图一


TWaver在电力系统中的运用
?

某变电所的接线图二

当然这些是我在网上搜索的一些资源,那么TWaver是否能实现这样的界面呢?回答是肯定的,我们先来分析一下,电力电气系统中这些界面都是由很多电气元素组成的,比如变压器,刀闸,开关,接地开关,电容器,发电机等。

接下来我们看看如何去扩展这些电气元素,先整个简单的刀闸,刀闸一般有两种状态,打开关闭,因此我们可以定义一个刀闸的类,继承于ResizableNode,添加turnOn的属性来控制开关状态

public class Switch extends ResizableNode{private boolean turnOn = true;public Switch() {super();init();}public Switch(Object id){super(id);init();}private void init(){this.setSize(5,30);this.putBorderColor(Color.black);this.putBorderInsets(12);} public String getUIClassID() {        return SwitchUI.class.getName();    } public boolean isTurnOn() {return turnOn;} public void setTurnOn(boolean turnOn) {if(this.turnOn != turnOn){boolean oldValue = this.turnOn;this.turnOn = turnOn;this.firePropertyChange("turnOn", oldValue, this.turnOn);}}}
?

接着需要在UI上需要根据turnOn的属性来绘制开关的形状,下面贴一下主要的paint方法

public void paintBody(Graphics2D g) {g.setStroke(TWaverConst.DOUBLE_WIDTH_STROKE);Switch switzh = (Switch)this.getElement();//get positionfinal Point location = switzh.getLocation();final Dimension size = switzh.getSize();boolean trunOn = switzh.isTurnOn();final int x = location.x;final int y = location.y;final int width = size.width;final int height = size.height;//draw color frameg.setColor(new Color(170,0,225));g.drawOval(x, y, width, width);g.drawOval(x, y+height-width, width, width);if(trunOn){g.drawLine(x+width/2, y+height-width, x+height/2,y+width);}else{g.drawLine(x+width/2, y+height-width, x+width/2, y+width);}}
?

通过一个main来运行看看扩展出来的效果:

TWaver在电力系统中的运用
?
这是简单的刀闸元素,扩展起来还是比较容易的。接下来来个稍微复杂一点的--接地开关,同样它和刀闸一样,也有两种状态

TWaver在电力系统中的运用
?
这个例子中我们给接地开关设置了几个不同的方向,同样上面的也可以这么做一下处理,我们来看看如何绘制这个接地开关的

public void paintBody(Graphics2D g) {g.setStroke(TWaverConst.BASIC_STROKE);g.setColor(Color.black)EarthingSwitch earthingSwitch = (EarthingSwitch)this.getElement();final Point location = earthingSwitch.getLocation();boolean turnOn = earthingSwitch.isTurnOn();int position = earthingSwitch.getSwitchPosition();final int x = location.x;final int y = location.y;int width = earthingSwitch.getWidth();int height = earthingSwitch.getHeight();//draw bodyif(turnOn){if(position == Utils.SWITCH_POSITION_TOP){g.drawLine(x+width/4, y, x+width/4*3, y);g.drawLine(x+width/6, y+2, x+width/6*5, y+2);g.drawLine(x, y+4, x+width, y+4);g.drawLine(x+width/2, y+4, x+width/2, y+7);g.drawLine(x+width/2, y+7, x+width, y+height-10);g.drawLine(x+width/2, y+height-3, x+width/2, y+height);}else if(position == Utils.SWITCH_POSITION_LEFT){//transfer width and heightint middle = width;width = height;height = middle;g.drawLine(x,y+height/4, x, y+height/4*3);g.drawLine(x+2, y+height/6, x+2, y+height/6*5);g.drawLine(x+4, y, x+4, y+height);g.drawLine(x+4, y+height/2, x+7, y+height/2);g.drawLine(x+7, y+height/2, x+width-10, y);g.drawLine(x+width-3, y+height/2, x+width, y+height/2);}else if(position == Utils.SWITCH_POSITION_BOTTOM){g.drawLine(x+width/4, y+height, x+width/4*3, y+height);g.drawLine(x+width/6, y+height-2, x+width/6*5, y+height-2);g.drawLine(x, y+height-4, x+width, y+height-4);g.drawLine(x+width/2, y+height-4, x+width/2, y+height-7);g.drawLine(x+width/2, y+height-7, x, y+10);g.drawLine(x+width/2, y+3, x+width/2, y);}else if(position == Utils.SWITCH_POSITION_RIGHT){//transfer width and heightint middle = width;width = height;height = middle;g.drawLine(x+width,y+height/4, x+width, y+height/4*3);g.drawLine(x+width-2, y+height/6, x+width-2, y+height/6*5);g.drawLine(x+width-4, y, x+width-4, y+height);g.drawLine(x+width-4, y+height/2, x+width-7, y+height/2);g.drawLine(x+width-7, y+height/2, x+10, y);g.drawLine(x+3, y+height/2, x, y+height/2);}}else{if(position == Utils.SWITCH_POSITION_TOP){g.drawLine(x+width/4, y, x+width/4*3, y);g.drawLine(x+width/6, y+2, x+width/6*5, y+2);g.drawLine(x, y+4, x+width, y+4);g.drawLine(x+width/2, y+4, x+width/2, y+7);g.drawLine(x+width/2, y+7, x+width/2, y+height-3);g.drawLine(x+width/2, y+height-3, x+width/2, y+height);}else if(position == Utils.SWITCH_POSITION_LEFT){//transfer width and heightint middle = width;width = height;height = middle;g.drawLine(x,y+height/4, x, y+height/4*3);g.drawLine(x+2, y+height/6, x+2, y+height/6*5);g.drawLine(x+4, y, x+4, y+height);g.drawLine(x+4, y+height/2, x+7, y+height/2);g.drawLine(x+7, y+height/2, x+width-3, y+height/2);g.drawLine(x+width-3, y+height/2, x+width, y+height/2);}else if(position == Utils.SWITCH_POSITION_BOTTOM){g.drawLine(x+width/4, y+height, x+width/4*3, y+height);g.drawLine(x+width/6, y+height-2, x+width/6*5, y+height-2);g.drawLine(x, y+height-4, x+width, y+height-4);g.drawLine(x+width/2, y+height-4, x+width/2, y+height-7);g.drawLine(x+width/2, y+height-7, x+width/2, y+3);g.drawLine(x+width/2, y+3, x+width/2, y);}else if(position == Utils.SWITCH_POSITION_RIGHT){//transfer width and heightint middle = width;width = height;height = middle;g.drawLine(x+width,y+height/4, x+width, y+height/4*3);g.drawLine(x+width-2, y+height/6, x+width-2, y+height/6*5);g.drawLine(x+width-4, y, x+width-4, y+height);g.drawLine(x+width-4, y+height/2, x+width-7, y+height/2);g.drawLine(x+width-7, y+height/2, x+3, y+height/2);g.drawLine(x+3, y+height/2, x, y+height/2);}}}
?


还有一些其他的元素,比如开关,发电机,变压器这些可以直接通过TWaver提供的customDraw很容易的配置出来,这些就比较简单了,此处代码省略100字,直接上图了

TWaver在电力系统中的运用
?
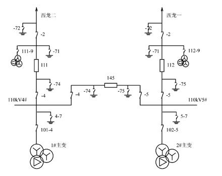
有了这些基础的元素,那么来绘制电力系统界面就显得不是那么复杂了,我们通过上面扩展的这些电力元素用twaver的工具画出了一个电力系统图,如下:

TWaver在电力系统中的运用
?
最后我们可以在界面上加上交互,比如双击打开关闭刀闸开关,然后添加自己的业务,这样一个简单的电力系统界面就完成了

network.addElementDoubleClickedActionListener(new ActionListener(){public void actionPerformed(ActionEvent e) {Element ele = network.getSelectionModel().lastElement();if(ele instanceof Switch){boolean turnOn = ((Switch)ele).isTurnOn();((Switch)ele).setTurnOn(!turnOn);}}});
?


同样最先贴出来的两张变电所的图是不是也就很容易的做出来呢!最后再附上TWaver做的另一张电力界面图


TWaver在电力系统中的运用

原文链接:http://twaver.servasoft.com/?p=3945

热点排行